Koolstofstaalafdichtingsklinkmoeren zijn een soort bevestigingsmiddel dat wordt gebruikt voor het aansluiten van dunne platen of plaatmetalen. Ze zijn gemaakt van koolstofstaal, getemperd en geblust om de hardheid te vergroten, en het oppervlak wordt gegalvaniseerd of anderszins corrosiebestendig gemaakt.
De afdichtingsklinkmoer is vrij eenvoudig, u kunt standaard pneumatische of hydraulische clinchinggereedschap gebruiken. Dit is hoe het werkt: plaats eerst de moer in een pre-punched gat en gebruik vervolgens een punch en dobbelsteen om druk uit te oefenen. De dobbelsteen drukt het plaatwerk rond de clinch -kraag van de moer en vormt een solide mechanische vergrendeling in één snelle stap.
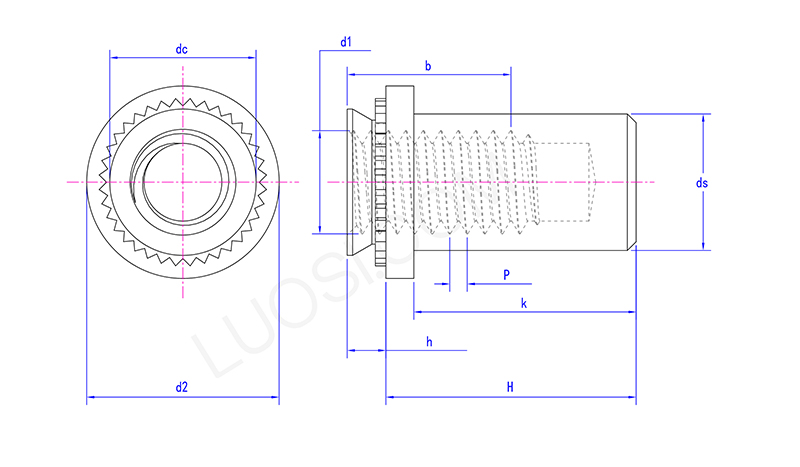
| Mon | M3-1 | M3-2 | M4-1 | M4-2 | M5-1 | M5-2 | M6-1 | M6-2 |
| P | 0.5 | 0.5 | 0.7 | 0.7 | 0.8 | 0.8 | 1 | 1 |
| DS Max | 3.84 | 3.84 | 5.2 | 5.2 | 6.35 | 6.35 | 8.75 | 8.75 |
| DC Max | 4.2 | 4.2 | 5.38 | 5.38 | 6.33 | 6.33 | 8.73 | 8.73 |
| B min | 5.3 | 5.3 | 7.1 | 7.1 | 7.1 | 7.1 | 7.8 | 7.8 |
| H Max | 0.91 | 1.38 | 0.97 | 1.38 | 0.97 | 1.38 | 1.38 | 1.38 |
| H Max | 9.85 | 9.85 | 11.45 | 11.45 | 11.45 | 11.45 | 14.55 | 14.55 |
| H min min min Neur win min | 9.35 | 9.35 | 10.95 | 10.95 | 10.95 | 10.95 | 14.05 | 14.05 |
| K Max | 8.5 | 8.5 | 9.8 | 9.8 | 9.8 | 9.8 | 12.7 | 12.7 |
| D2 Max | 6.6 | 6.6 | 8.2 | 8.2 | 9 | 9 | 11.35 | 11.35 |
| D2 min | 6.1 | 6.1 | 7.7 | 7.7 | 8.5 | 8.5 | 10.85 | 10.85 |
| D1 | M3 | M3 | M4 | M4 | M5 | M5 | M6 | M6 |
Koolstofstaalafdichtingsklinkmoeren worden gedefinieerd door belangrijke metingen: draadgrootte (zoals M4, M5, M6 of 1/4 "-20), clinch-kraagdiameter, totale hoogte, afmeters van de afdichtingsring en het bladdikte bereik waarmee ze werken (zowel Min als Max). Je kunt ze in standaard metrische of imperiale draad krijgen.
Hun clinch -kracht (hoe goed ze het verzetten dat ze worden weggeduwd of verdraaid) wordt getest tegen industrienormen (denk aan ISO, DIN, IFI). Het kiezen van de juiste maat is een groot probleem, het zorgt ervoor dat de afdichting vasthoudt en de moer sterk genoeg is voor de klus.
Om de afsluitmoer van de koolstofstaalafdichting te installeren, hebt u een gespecialiseerde clinching -gereedschap en die set nodig die precies overeenkomt met de grootte van de moer. Plaats eerst de moer in een pre-punched gat in het plaatwerk. Vervolgens oefent het gereedschap de gecontroleerde druk uit, waardoor de piloot van de moer en de Knurl in het omringende metaal zinken. Dit koud vormende proces vergrendelt de roestvrijstalen moer voorgoed op zijn plaats en tegelijkertijd slaat het de ingebouwde afdichtingsring tegen het paneel. Dat is hoe het de lekbestendige afdichting creëert die deze noten uniek maakt.
