NTE Nylon Insert Slotmoeris een zelfgrenzende bevestiging met een nylon kraag in de interne draden. Wanneer het op de bout wordt geschroefd, vergrendelt de nylon de schroefdraden en zal de moer waarschijnlijk niet gemakkelijk loskomen wanneer er trillingen of beweging is.

DeNTE Nylon Insert Slotmoeris gemaakt van materialen zoals aan zink aangelegd staal of roestvrij staal, het is ontworpen voor machines, voertuigen of apparatuur waar betrouwbaarheid ertoe doet. In tegenstelling tot gewone noten, deNTE Nylon Insert Slotmoervereist geen extra vergrendelingslaspelen of lijmen - het vergrendelt vanzelf. Het is eenvoudig te installeren, herbruikbaar (binnen limieten) en werkt in zowel industriële opstellingen als dagelijkse reparaties.
Gebruik deNTE Nylon Insert Slotmoerom onderdelen te beveiligen die schudden of bewegen. Voorbeelden: Voetstegs van de motorfiets bevestigen, transportbandrollen op hun plaats houden of bureaustoelen met verstelbare onderdelen monteren. Het is ook handig voor buitenuitrusting zoals tuinaanhangwagens of fietsenrekken, waar hobbels en weer standaard noten kunnen losmaken. In thuisworkshops is het geweldig voor het repareren van wiebelige tafels of het beveiligen van componenten van stroomgereedschap die trillen tijdens het gebruik.
Je zult deNTE Nylon Insert Slotmoerin de productie van autofabrieken (motorbevestigingen, ophangonderdelen), HVAC -systemen (het beveiligen van ventilatorbladen of kanaalwerk) en consumentengoederen zoals wasmachines of fietsen. Het is ook gebruikelijk in agrarische machines, fietsen en elektronica -assemblage - overal trillingen of frequente aanpassingen kunnen reguliere moeren losmaken.

| Markt |
Totale inkomsten (%) |
| Noord -Amerika |
14 |
| Zuid -Amerika |
10 |
| Oost -Europa |
16 |
| Zuidoost -Azië |
10 |
| Midden -oosten |
7 |
| Oost -Azië |
17 |
| West -Europa |
12 |
| Zuid -Azië |
6 |
| Binnenlandse markt |
8 |
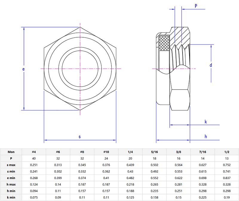
Xiaoguo® kan aanpassenNTE Nylon Insert Slotmoerenaan uwbouten. De zeshoekige vorm van demoerPast op een standaard sleutel en het nylon binnen is slijtvast. We kunnen monsters verstrekken en u kunt testen of de gratis monsters aan uw behoeften voldoen voordat ze een grote bestelling plaatsen.