|
ma |
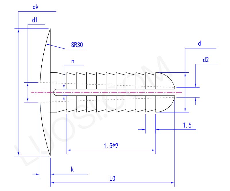
Φ6 |
Φ8 |
Φ10 |
|
dmax |
6 | 8 | 10 |
|
d min |
5.8 | 7.8 | 9.8 |
|
dk max |
16.2 | 16.2 | 18.2 |
|
dk min |
15.8 | 15.8 | 17.8 |
|
k max |
1.6 | 1.6 | 2.1 |
|
k min |
1.4 | 1.4 | 1.9 |
|
L0 |
20 | 20 | 22 |
|
d1 |
3 | 4 | 5 |
|
d2 |
1.5 | 2 | 3 |
|
n |
1 | 1 | 1.5 |
De uitzettende klinknagelklemhouder is een handig plastic bevestigingsmiddel. Het werkt als een veiligere, lichtere optie die bestand is tegen roest, in plaats van de gebruikelijke metalen splitpennen.
Het is eigenlijk een cilindrisch stuk met een spleet in het midden. Je steekt hem door een voorgeboord gat en buigt vervolgens de twee poten naar buiten om onderdelen zoals gaffelpennen, assen of verbindingen op hun plaats te houden. Deze plastic versie rekent af met problemen zoals het verslijten van metaal, scherpe randen en galvanische corrosie.
De belangrijkste voordelen van de uitzettende klinknagelklemhouder gaan over veiligheid, lichter zijn en standhouden in verschillende omgevingen.
In tegenstelling tot metalen pinnen heeft hij niet het probleem van scherpe bramen die je zouden kunnen snijden als je hem erin of eruit haalt. Het is veel lichter, wat van groot belang is voor gebruik in de lucht- en ruimtevaart en in de auto.
Bovendien is de uitzettende klinknagelcliphouder op natuurlijke wijze bestand tegen roest en corrosie. Het kan worden gebruikt op natte locaties, in de buurt van chemicaliën, of waar de elektriciteit onvoldoende is, en waar metalen naalden defect kunnen raken of problemen kunnen veroorzaken.

De specifieke waarde van de schuifsterkte van onze expanderende klinknagelklemhouder zal variëren afhankelijk van de diameter van de pen en de specifieke materiaalkwaliteit.
Het is ontworpen om veel trillingen en bewegende lasten aan te kunnen, die vaak voorkomen in machines, auto-onderdelen en assemblagelijnen.
Het materiaal heeft van nature enige flexibiliteit en veerkracht, waardoor het schokken absorbeert. Dat maakt het een betrouwbare vervanging voor metalen pinnen in veel moeilijke omgevingen, het verslijt niet gemakkelijk en het vermindert ook de slijtage van de onderdelen die het verbindt.
