De natuurlijke kenmerken van de uitzettende kunststof klinknagelclips maken het geschikt voor speciale, specifieke toepassingen. Omdat het geen elektriciteit geleidt, is het erg belangrijk in elektriciteitskasten en hoogspanningsruimtes. Er ontstaan geen vonken, wat juist nodig is op plaatsen waar explosies kunnen optreden (ATEX-zones).
Ook in MRI-ruimtes en gevoelige elektronica kun je er niet zonder. Plaatsen waar zelfs kleine magnetische velden van metalen pinnen niet zijn toegestaan.

Een goede kunststof expanderende klinknagelclips ondergaan strenge tests om er zeker van te zijn dat deze consistent werken. Deze tests controleren zaken als de nauwkeurigheid van de maat, hoeveel trekkracht het kan hebben, hoe goed het omgaat met klappen en of het met verschillende chemicaliën werkt.
De plastic splitpennen van Xiaoguo® worden vervaardigd volgens industrienormen met materialen die aan gespecificeerde eisen voldoen, waardoor prestaties worden gegarandeerd. Ze houden voorwerpen veilig en veilig op hun plaats voor het beoogde doel. Vergeleken met metalen splitpennen zijn plastic splitpennen corrosiebestendiger en roestbestendig.

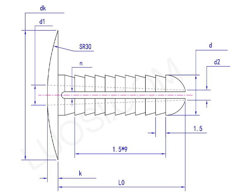
ma
Φ6
Φ8
Φ10
dmax
6
8
10
d min
5.8
7.8
9.8
dk max
16.2
16.2
18.2
dk min
15.8
15.8
17.8
k max
1.6
1.6
2.1
k min
1.4
1.4
1.9
L0
20
20
22
d1
3
4
5
d2
1.5
2
3
n
1
1
1.5
Onze standaard kunststof expanderende klinknagelclips zijn gemaakt van materialen die voldoen aan de belangrijkste internationale regelgeving, waaronder RoHS en REACH. We bieden ook FDA-gecertificeerde versies voor toepassingen die in contact komen met voedsel. Certificaten van overeenstemming zijn op aanvraag verkrijgbaar.
Onze materialen worden tijdens de productie zorgvuldig geselecteerd volgens wereldwijde normen, waardoor naleving van de relevante kwaliteitsnormen wordt gegarandeerd en een veilige export en wijdverbreid gebruik wereldwijd worden gegarandeerd.