Thuis > Producten > Moer > Handschroef de moer > Hardware-instrumenten rolmoer
        Hardware-instrumenten rolmoer
        • Hardware-instrumenten rolmoerHardware-instrumenten rolmoer
        • Hardware-instrumenten rolmoerHardware-instrumenten rolmoer

        Hardware-instrumenten rolmoer

        Zorgen voor systeemcompliance en veiligheid. Het CE-gecertificeerde product van XIAO GUO Hardware Tools Rolling Nut voldoet aan strenge normen. Onze moeren zijn ontworpen voor betrouwbare, langdurige werking in veeleisende industriële omgevingen.

        Stuur onderzoek

        Productomschrijving

        De specificaties van Hardware Tools Rolling Nut voor hardwaretools omvatten voornamelijk de interne draadmaat en de buitendiameter. De schroefdraadmaten variëren van M2 tot M8, wat het meest gebruikelijk is voor de montage van dun plaatwerk. De buitendiameters komen overeen met deze schroefdraden; kleinere schroefdraden passen bij kleinere diameters, zodat ze goed in de voorgeboorde gaten passen. U kiest gewoon op basis van de boutmaat die u ermee gaat gebruiken.

        De kwaliteiten zijn eenvoudig: standaardkwaliteit en hogesterktekwaliteit. Standaardkwaliteit is geschikt voor reguliere taken, zoals meubelbeugels of elektronicabehuizingen. Hoge sterkte kwaliteit is gemaakt van dikker materiaal, goed voor machines of onderdelen die meer kracht moeten verdragen zonder te glijden.

        Van elke noot zijn de specificaties en het type vermeld op het verpakkingsetiket, zodat u gemakkelijk de juiste kunt kiezen. Geen ingewikkelde codering, alleen basiscijfers en woorden. De specificaties en kwaliteiten van Hardware Tools Rolling Nut dekken de meest voorkomende plaatwerkbehoeften, geen extra luxe opties.

        Hardware Tools Rolling Nut

        Controle van de productkwaliteit

        We beginnen met grondstoffencontroles. Elke partij metaal wordt gecontroleerd op scheuren, deuken of zwakke plekken. Alleen gekwalificeerd materiaal wordt in productie genomen – dit is de eerste stap om de kwaliteit op peil te houden.

        Tijdens de productie voeren wij regelmatig steekproeven uit. We kijken eerst naar de nauwkeurigheid van de schroefdraad; ze moeten bouten soepel passen zonder strakke of losse plekken. We meten ook vaak de buitendiameter en dikte om er zeker van te zijn dat ze overeenkomen met de standaardspecificaties. De oppervlaktebehandeling wordt ook gecontroleerd, zodat er geen dunne platen of ontbrekende plekken zijn die roest kunnen veroorzaken.

        Vóór verzending ondergaan willekeurige monsters van elke batch installatietests. We drukken ze in plaatstaal en testen of ze stevig vastzitten zonder te glijden. We controleren ook op eventuele krassen of misvormingen op het oppervlak. Hardware Tools Rolling Nut doorloopt deze eenvoudige maar strikte stappen om ervoor te zorgen dat het goed werkt voor dagelijkse montagewerkzaamheden.

        Vraag-en-antwoordsessie

        Vraag: Zal ​​het gemakkelijk roesten in vochtige kustgebieden?

        A: Het hangt af van de oppervlaktebehandeling. Verzinkte exemplaren kunnen na 1-2 jaar bij hoge luchtvochtigheid roesten. Thermisch verzinkte of roestvrijstalen exemplaren zijn beter voor kustgebieden; ze zijn 5-8 jaar lang bestand tegen zoutnevel en vocht. Als uw producten buitenshuis worden gebruikt, raden we u aan roestvrijstalen moeren te kiezen. We kunnen ook testrapporten voor corrosieweerstand ter referentie verstrekken.  

        Hardware Tools Rolling Nut


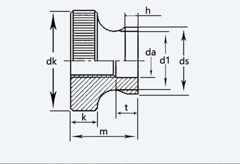
        maat Toonhoogte Buitendiameter Hoogte k ds da d1 T h
        maximaalimaalimaalimaalimaal min maximaalimaalimaalimaalimaal min maximaalimaalimaalimaalimaal min maximaalimaalimaalimaalimaal min maximaalimaalimaalimaalimaal
        M3 0,5  11  10.7  6.64  2.8  5.7  3.5  3.2  5.2  1.2 
        M4 0,7  12  11.7  7,64  7,64  4.5  4.2  6.4  2.5  1.5 
        M5 0,8  16  15.7  10  96,6  10  9.64  5.5  5.5 
        M6 20  19.7  12  11.6  12  11.6  6.56  6.2  11  2.5 
        M8 1.25  24  23.7  16  15.6  16  15.6  8.86  8.5  13 
        M10 1.5 30 29.7 20 19.5 8 20 19.5 10.9 10.5 17.2 6.5 3.8
        Hottags: Hardware-instrumenten rolmoer, China, fabrikant, leverancier, fabriek
        Gerelateerde categorie
        Stuur onderzoek
        Stel gerust uw vraag via onderstaand formulier. Wij zullen u binnen 24 uur antwoorden.
        X
        We gebruiken cookies om u een betere browse-ervaring te bieden, het siteverkeer te analyseren en de inhoud te personaliseren. Door deze site te gebruiken, gaat u akkoord met ons gebruik van cookies. Privacybeleid
        Afwijzen Accepteren