Thuis > Producten > Pin > Ronde pin > Hete verkopende gaffelpennen
        Hete verkopende gaffelpennen
        • Hete verkopende gaffelpennenHete verkopende gaffelpennen
        • Hete verkopende gaffelpennenHete verkopende gaffelpennen

        Hete verkopende gaffelpennen

        Hun ontwerp maakt een snelle montage en demontage mogelijk in toepassingen zoals trekhaken voor trekkers of deurmechanismen. Door de nieuwste hete verkopende gaffelpennen uit China aan te schaffen XIAOGUO helpt het onderhoud efficiënt te houden.

        Stuur onderzoek

        Productomschrijving

        We hebben verschillende materialen voor deze Hot Selling Clevis Pins, afhankelijk van wat je nodig hebt. Voor dagelijks industrieel gebruik is koolstofstaal een veelgebruikte keuze: het is sterk en kosteneffectief. Als u op vochtige of corrosieve plaatsen werkt, zijn roestvrij staalsoorten zoals 304 of 316 beter omdat ze goed bestand zijn tegen roest. Voor situaties waarin je geen magnetische onderdelen kunt gebruiken, is messing een optie; dit wordt vaak gebruikt in elektrische of precisie-opstellingen. Als u extra sterkte nodig heeft, zoals in de lucht- en ruimtevaart of bij werkzaamheden met hoge spanning, is gelegeerd staal beschikbaar. Alle pins die wij aanbieden voldoen aan normen zoals ISO 2341, zodat ze betrouwbaar presteren, of het nu gaat om algemene of speciale klussen. Wij stemmen het materiaal gewoon af op wat uw project daadwerkelijk nodig heeft.

        Oppervlaktebehandeling van producten

        We bieden verschillende oppervlakteafwerkingen voor deze hete verkopende gaffelpennen, voornamelijk om ze langer mee te laten gaan en roestbestendig te zijn. Een veel voorkomende keuze is verzinken: het biedt basisbescherming en is betaalbaar voor algemene klussen. Voor zwaardere omstandigheden buiten of in de buurt van water wordt bij thermisch verzinken een dikkere laag aangebracht. Voor roestvrijstalen pennen kunnen we passiveren om ze beter bestand te maken tegen corrosie.

        Andere opties zijn onder meer een zwarte oxideafwerking, die enige slijtvastheid toevoegt en een donkere kleur geeft, die vaak wordt gebruikt op machineonderdelen. Voor meer veeleisende toepassingen, zoals de ruimtevaart of precisieapparatuur, is chemisch vernikkelen beschikbaar; dit dekt gelijkmatig en voegt hardheid toe.

        Dankzij deze afwerkingen voldoen de pins aan de algemene industrienormen, zodat ze in alles werken, van alledaagse opstellingen tot zware omstandigheden.

        Vraag-en-antwoordsessie

        Vraag: Wat zijn de meest voorkomende toepassingen voor populaire gaffelpennen?

        A: Ze zijn ideaal voor het creëren van veilige, verwijderbare draai- en verbindingspunten. Je vindt ze vaak gebruikt in bedieningsstangen, hydraulische systemen, sleeptoepassingen en landbouwmachines waarbij een pin gemakkelijk moet worden ingebracht en vastgezet met een splitpen.

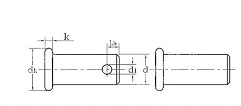
        Hot Selling Clevis Pins


        eenheid: mm
        d maximaalimaalimaalimaal 3 4 5 6 8 10 12 14 16 18 20
        min 2.94 3.925 4.925 5.925 7.91 9.91 11.89 13.89 15.89 17.89 19.87
        dk maximaalimaalimaalimaal 5 6 8 10 12 14 16 18 20 22 25
        min 4.7 5.7 7.64 9.64 11.57 13.57 15.57 17.57 19.48 21.48 24.48
        k nominaalL 1.5 2 2.5 3 3.5 4
        maximaalimaalimaalimaal 1.625 2.125 2.625 3.125 3.65 4.15
        min 1.375 1.875 2.375 2.875 3.35 3.85
        d1 min 1.6 2 3.2 4 5 5
        maximaalimaalimaalimaal 1.74 2.14 3.38 4.18 5.18 5.18
        Lh min 1.6 2.2 2.9 3.2 3.5 4.5 5.5 6 6 7 8







        Hottags: Hot Selling gaffelpennen, China, fabrikant, leverancier, fabriek
        Gerelateerde categorie
        Stuur onderzoek
        Stel gerust uw vraag via onderstaand formulier. Wij zullen u binnen 24 uur antwoorden.
        X
        We gebruiken cookies om u een betere browse-ervaring te bieden, het siteverkeer te analyseren en de inhoud te personaliseren. Door deze site te gebruiken, gaat u akkoord met ons gebruik van cookies. Privacybeleid
        Afwijzen Accepteren