Thuis > Producten > Schroef > Andere schroeven > 12-punts flensschroef met gereduceerde schacht
        12-punts flensschroef met gereduceerde schacht
        • 12-punts flensschroef met gereduceerde schacht12-punts flensschroef met gereduceerde schacht
        • 12-punts flensschroef met gereduceerde schacht12-punts flensschroef met gereduceerde schacht
        • 12-punts flensschroef met gereduceerde schacht12-punts flensschroef met gereduceerde schacht

        12-punts flensschroef met gereduceerde schacht

        12-punts flensschroef met gereduceerde schacht is zeer geschikt voor toepassingen die een stevige bevestiging vereisen maar ook de dikte van het materiaal willen verminderen. Je kunt het koppel beter controleren, zodat het niet wegglijdt bij het aandraaien. Xiaoguo® Company biedt praktische oplossingen.

        Stuur onderzoek

        Productomschrijving

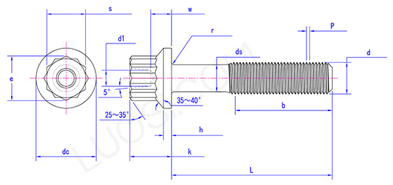
        12-punts flensschroef met gereduceerde schacht, de kop heeft 12 hoeken. De onderstaande flensplaat werkt als een pakking, waardoor het contactoppervlak met het aangesloten materiaal wordt vergroot. Het dunne staafdeel in het midden heeft een kleinere diameter vergeleken met gewone schroefstaven en wordt in enkele specifieke scenario's toegepast.

        Productparameters

        ma #10
        P 32
        d1 0.1
        gelijkstroom 0.375
        dsmax 0.171
        ds min 0.161
        e 0.278
        maximaal 0.05
        u min 0.04
        k 0.26
        min 0.015
        max 0.025
        maximaal 0.251
        s min 0.243
        w 0.13

        Functies

        Deze 12-punts flensschroef kan worden gebruikt voor de installatie van hydraulische pompen. De hogedrukpomp kan trillen, waardoor de installatiebouten loskomen. Het korte handvatontwerp kan nektrillingen absorberen. Flensafdichtingen kunnen olielekkage voorkomen en vereisen geen aparte pakking. Standaardbouten breken binnen enkele maanden, terwijl deze bouten meer dan 10.000 bedrijfsuren kunnen weerstaan.

        Voor de aansluiting van het uitlaatspruitstuk kan een 12-punts flensschroef met gereduceerde schacht worden gebruikt. Het turbinespruitstuk kan bij de boutgaten barsten als gevolg van thermische spanning. Zij kunnen dit probleem oplossen. De schroefstang kan tijdens een thermische cyclus bij 800°C worden gebogen om spanningsbreuken te voorkomen. Bij demontage is hij roestbestendiger dan de zeskantige kop. Zorg ervoor dat u een anti-vastloopmiddel op nikkelbasis aanbrengt. De levensduur is twee keer zo lang als die van gewone bouten.

        Deze 12-punts flensschroeven kunnen het gewicht verminderen. Het smallere deel onder de draad kan materiaalverlies verminderen zonder dat dit ten koste gaat van de sterkte. Het is zeer geschikt voor gewichtsgevoelige toepassingen zoals vliegtuigpanelen of raceauto's. Flenzen kunnen nog steeds worden gebruikt als inbouwpakkingen.

        Voordeel

        12-punts flensschroef met gereduceerde schacht heeft een sterke bevestigingskracht. Het is bestand tegen een groot koppel wanneer het wordt vastgedraaid. Omdat de flensplaat de wrijving vergroot, is het ook erg moeilijk om los te komen in een trillende omgeving. Het heeft de veiligheidsrisico's en apparatuurstoringen veroorzaakt door losraken verminderd. Bovendien maakt het dunne staafontwerp het tijdens de installatie mogelijk om gemakkelijker door dunnere materialen of kleine gaten te gaan zonder de noodzaak van moeizaam ruimen. Het is eenvoudig te bedienen en bespaart tijd en mankracht.

        12 Point Flange Screw With Reduced Shank

        Hottags: 12-punts flensschroef met gereduceerde schacht, China, fabrikant, leverancier, fabriek
        Gerelateerde categorie
        Stuur onderzoek
        Stel gerust uw vraag via onderstaand formulier. Wij zullen u binnen 24 uur antwoorden.
        X
        We gebruiken cookies om u een betere browse-ervaring te bieden, het siteverkeer te analyseren en de inhoud te personaliseren. Door deze site te gebruiken, gaat u akkoord met ons gebruik van cookies. Privacybeleid
        Afwijzen Accepteren