Thuis > Producten > Schroef > Andere schroeven > Gevangen veerschroef
        Gevangen veerschroef
        • Gevangen veerschroefGevangen veerschroef
        • Gevangen veerschroefGevangen veerschroef
        • Gevangen veerschroefGevangen veerschroef
        • Gevangen veerschroefGevangen veerschroef
        • Gevangen veerschroefGevangen veerschroef

        Gevangen veerschroef

        Borgveerschroef is een losse, niet-verwijderbare schroef die wordt geïnstalleerd door middel van compressie- of expansieklinknagels om een ​​veilige verbinding te creëren. Xiaoguo® is een vertrouwde fabrikant die standaard maten bevestigingsmiddelen aanbiedt en ook aangepaste maten kan produceren.

        Stuur onderzoek

        Productomschrijving

        De grootste overwinning met geborgde veerschroeven is dat ze de verbindingen strak houden. Dat betekent minder storingen, veiliger apparatuur, minder uitvaltijd bij het repareren van zaken en producten die gewoon langer beter werken.


        Deze schroeven eten trillingen en kunnen hitteveranderingen of materiaalverschuivingen aan, dingen die normale schroeven losmaken. Ze vereenvoudigen ook de montage, omdat u vaak borgringen of schroefdraadborgmiddelen overslaat, waardoor uw onderdelenlijst korter wordt. Voor lastige bevestigingswerkzaamheden kunnen anti-losloopveerschroeven worden gebruikt.


        Vaste veerschroef combineert de grip van een schroef met het vermogen van een veer om spanning vast te houden. Ze zijn gemaakt van stevig materiaal, verkrijgbaar in talloze maten/specificaties en vaak met coatings om roest tegen te gaan. Ze zijn stevig in het voorkomen van losraken van trillingen en metaalmoeheid.

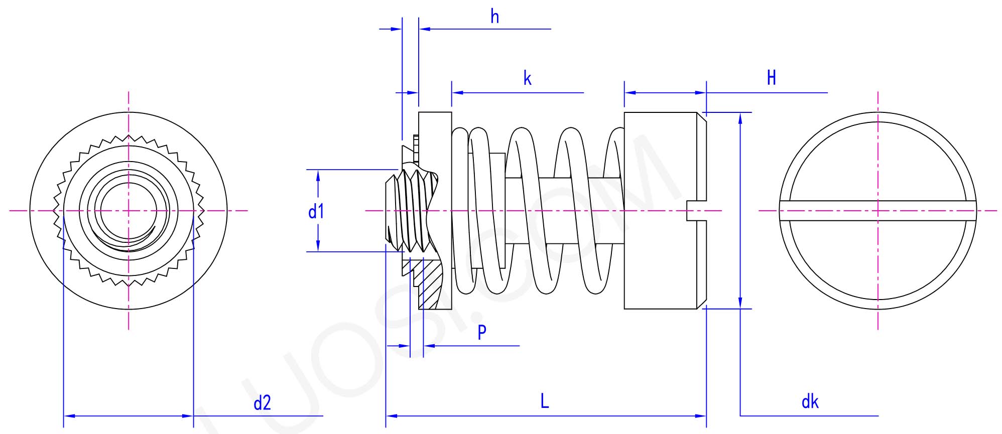
        Productparameters

        ma 440 632 832 032 0420
        P 40 32 32 32 20
        d1 #4 #6 #8 #10 1/4
        d2 maximaal 0.202 0.218 0.249 0.311 0.374
        dk max 0.416 0.448 0.478 0.54 0.635
        dk min 0.396 0.428 0.458 0.52 0.615
        maximaal 0.058 0.058 0.058 0.058 0.058
        k max 0.128 0.128 0.128 0.12 0.148
        k min 0.118 0.118 0.118 0.11 0.138
        H max 0.207 0.207 0.212 0.225 0.247
        H min 0.197 0.197 0.202 0.237 0.237

        Je vindt ze in vliegtuigen, auto's, fabrieken en gadgets, overal waar onderdelen in ruige omgevingen opgesloten moeten blijven. Dat betekent dat ze essentieel zijn om dingen veilig, veilig en duurzaam te houden. Veerschroeven zijn een praktische oplossing voor moderne apparatuur die niet bestand is tegen zware trillingen.

        Captive Spring Screw

        Pakket

        Vraag: Hoe wordt het pakket verpakt om schade tijdens internationale verzending te voorkomen?

        A: We verpakken een borgveerschroef om veilig aan te komen. Meestal stoppen we ze in bulk in verzegelde plastic zakken in kartonnen dozen. Soms gooien we er verdelers of opvulling in om te voorkomen dat ze tijdens het transport in de war raken of krassen.


        Grotere bestellingen worden geleverd op spoelen of op maat gemaakte plastic haspels. Hoe dan ook, onze verpakkingen zijn duurzaam, vochtbestendig en schokbestendig, waardoor schade tijdens het transport wordt voorkomen.

        Hottags: Captive Spring Screw, China, fabrikant, leverancier, fabriek
        Gerelateerde categorie
        Stuur onderzoek
        Stel gerust uw vraag via onderstaand formulier. Wij zullen u binnen 24 uur antwoorden.
        X
        We gebruiken cookies om u een betere browse-ervaring te bieden, het siteverkeer te analyseren en de inhoud te personaliseren. Door deze site te gebruiken, gaat u akkoord met ons gebruik van cookies. Privacybeleid
        Afwijzen Accepteren