Cupkopbouten
        • CupkopboutenCupkopbouten
        • CupkopboutenCupkopbouten

        Cupkopbouten

        De door Xiaoguo® Company geproduceerde puntbouten met kopkop kunnen zachte materialen zoals hout of plastic stevig vastklemmen. De komvormige kop zorgt voor een groter spanoppervlak en de puntige punt aan de onderkant kan diep in de bout doordringen om te voorkomen dat deze tijdens bedrijf wegglijdt of draait.
        Model:DIN 607-1981

        Stuur onderzoek

        Productomschrijving

        Het hoofd van dekopbouten met kopis als een klein kopje, rond en uitpuilend. Daaronder is het verbonden met een scherpe pen en het schroefgedeelte heeft schroefdraad. Dit ontwerp is heel bijzonder. Het heeft unieke voordelen bij het repareren van dingen en kan op veel plaatsen worden gebruikt.



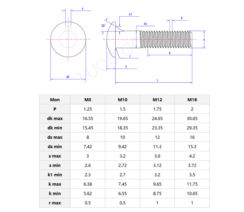
        Productdetails en parameters

        Bolkopboutenkan worden gebruikt voor het maken van houten modellen in handwerklessen op school. In handwerklessen op school kunnen ze bij het maken van houten modellen, zoals die van kleine huizen en kleine boten, worden gebruikt om onderdelen te bevestigen. De bediening is eenvoudig, waardoor leerlingen er snel mee aan de slag kunnen. Bovendien kan het de structuur van het model steviger maken, waardoor studenten hun werken gemakkelijker kunnen tentoonstellen en het ook gemakkelijker wordt voor het behoud van het model op de lange termijn.

        Doe-het-zelvers gebruikenkopbouten met kopbij het repareren van afwateringssloten of regenpijpen. De bouten kunnen worden vastgezet in aluminium of staal zonder gaten te boren en de potkopbouten zijn verborgen onder de kit. Als u duurzame bouten wilt, kunt u kiezen voor roestvrij staal. Na de storm zal er geen roest meer aan het huis zitten.

        Boeren gebruiken de bouten bij het repareren van graanschuren of irrigatieleidingen. De bouten kunnen het roestige oppervlak stevig vastgrijpen en zijn effectief bestand tegen de vochtigheid van de schuur. De lage boutkoppen vangen geen hooi of gereedschap op en het is niet nodig om de machine te stoppen vanwege het loskomen van bevestigingsmiddelen.


        Cup head nib bolts parameters

        Verkoopargument van producten

        Dekopbouten met kopzijn niet alleen stevig bevestigd en snel geïnstalleerd, maar de vorm van de komkop kan het contactgebied vergroten, de druk tijdens het vastdraaien verspreiden en de verbinding steviger maken en niet gemakkelijk los te maken; De puntige pen kan eenvoudig in het materiaal worden gestoken om te voorkomen dat de bout bij het vastdraaien willekeurig draait, en is ook handiger te installeren.


        Productmateriaal

        We maken Cup Head Nib Bolts van een paar basismaterialen, voornamelijk koolstofstaal, gelegeerd staal en roestvrij staal. De juiste keuze hangt af van waar ze zullen worden gebruikt.


        Voor reguliere, alledaagse klussen, zoals het bevestigen van apparatuur binnenshuis onder lage tot middelmatige belasting, werken koolstofstaalsoorten zoals 1010 of 1018 prima. Ze zijn budgetvriendelijk, maar hebben meestal een coating zoals galvaniseren nodig om roest te voorkomen.


        Als u meer sterkte nodig heeft, bijvoorbeeld voor zware machines of chassisverbindingen van auto's, gebruiken we gelegeerde staalsoorten zoals 35CrMo. Deze krijgen een warmtebehandeling om hun sterkte en taaiheid te verbeteren.


        Voor plaatsen waar roest een probleem is, is roestvrij staal de juiste keuze. Graad 304 is goed voor droge binnenomgevingen, zoals huishoudelijke apparaten. Als u buiten, in de buurt van zout water of met chemicaliën werkt, is klasse 316 een betere keuze omdat deze beter bestand is tegen corrosie.


        Het materiaal dat u kiest, hangt echt af van uw werkomstandigheden: hoe nat het is, hoeveel gewicht de bout kan dragen en welk soort corrosierisico er is.


        Transportkosten van producten

        De verzendkosten voor Cup Head Nib Bolts zijn afhankelijk van een aantal zaken: hoe zwaar ze zijn, hoeveel ruimte ze innemen, hoe ver ze gaan en hoe je ze wilt laten bezorgen.


        Voor kleine bestellingen (onder de 20 kg) versturen wij deze doorgaans per koerier. De verzendkosten worden berekend op basis van het startgewicht plus extra voor elke extra kilogram. Binnen het land bedraagt ​​het basistarief ongeveer $1,5 tot $3, en elke extra kilo kost ongeveer $0,3 tot $1,2.


        Voor grotere bestellingen (meer dan 20 kg) is vrachtvervoer of LTL (less-than-truckload) vaak goedkoper. De kosten zijn gebaseerd op het werkelijke gewicht of de grootte van het pakket, afhankelijk van wat het hoogste uitkomt. Om het gewicht van de maat te vinden, vermenigvuldigt u de lengte, breedte en hoogte in centimeters en deelt u deze vervolgens door 6000.


        Het verzenden van 1 ton in eigen land over een lange afstand kost bijvoorbeeld gewoonlijk tussen de €60 en €90. Hoe meer u verzendt, hoe lager de kosten per eenheid.


        Bij internationale bestellingen spelen zaken als havengelden en douane een rol. Zeevracht is langzamer maar goedkoper, terwijl luchtvracht sneller is maar duurder.


        Als u deur-tot-deur levering of versnelde verzending nodig heeft, kan dat 20% tot 50% aan de basisprijs toevoegen.


        Het is een goed idee om de volledige kosten bij uw verzendmaatschappij te controleren voordat u het verzendt, om verrassingen later te voorkomen.



        Productmateriaal

        We maken Cup Head Nib Bolts van een paar basismaterialen, voornamelijk koolstofstaal, gelegeerd staal en roestvrij staal. De juiste keuze hangt af van waar ze zullen worden gebruikt.


        Voor reguliere, alledaagse klussen, zoals het bevestigen van apparatuur binnenshuis onder lage tot middelmatige belasting, werken koolstofstaalsoorten zoals 1010 of 1018 prima. Ze zijn budgetvriendelijk, maar hebben meestal een coating zoals galvaniseren nodig om roest te voorkomen.


        Als u meer sterkte nodig heeft, bijvoorbeeld voor zware machines of chassisverbindingen van auto's, gebruiken we gelegeerde staalsoorten zoals 35CrMo. Deze krijgen een warmtebehandeling om hun sterkte en taaiheid te verbeteren.


        Voor plaatsen waar roest een probleem is, is roestvrij staal de juiste keuze. Graad 304 is goed voor droge binnenomgevingen, zoals huishoudelijke apparaten. Als u buiten, in de buurt van zout water of met chemicaliën werkt, is klasse 316 een betere keuze omdat deze beter bestand is tegen corrosie.


        Het materiaal dat u kiest, hangt echt af van uw werkomstandigheden: hoe nat het is, hoeveel gewicht de bout kan dragen en welk soort corrosierisico er is.


        Transportkosten van producten

        De verzendkosten voor Cup Head Nib Bolts zijn afhankelijk van een aantal zaken: hoe zwaar ze zijn, hoeveel ruimte ze innemen, hoe ver ze gaan en hoe je ze wilt laten bezorgen.


        Voor kleine bestellingen (onder de 20 kg) versturen wij deze doorgaans per koerier. De verzendkosten worden berekend op basis van het startgewicht plus extra voor elke extra kilogram. Binnen het land bedraagt ​​het basistarief ongeveer $1,5 tot $3, en elke extra kilo kost ongeveer $0,3 tot $1,2.


        Voor grotere bestellingen (meer dan 20 kg) is vrachtvervoer of LTL (less-than-truckload) vaak goedkoper. De kosten zijn gebaseerd op het werkelijke gewicht of de grootte van het pakket, afhankelijk van wat het hoogste uitkomt. Om het gewicht van de maat te vinden, vermenigvuldigt u de lengte, breedte en hoogte in centimeters en deelt u deze vervolgens door 6000.


        Het verzenden van 1 ton in eigen land over een lange afstand kost bijvoorbeeld gewoonlijk tussen de €60 en €90. Hoe meer u verzendt, hoe lager de kosten per eenheid.


        Bij internationale bestellingen spelen zaken als havengelden en douane een rol. Zeevracht is langzamer maar goedkoper, terwijl luchtvracht sneller is maar duurder.


        Als u deur-tot-deur levering of versnelde verzending nodig heeft, kan dat 20% tot 50% aan de basisprijs toevoegen.


        Het is een goed idee om de volledige kosten bij uw verzendmaatschappij te controleren voordat u het verzendt, om verrassingen later te voorkomen.





        Hottags: Cupkopbouten, China, fabrikant, leverancier, fabriek
        Gerelateerde categorie
        Stuur onderzoek
        Stel gerust uw vraag via onderstaand formulier. Wij zullen u binnen 24 uur antwoorden.
        X
        We gebruiken cookies om u een betere browse-ervaring te bieden, het siteverkeer te analyseren en de inhoud te personaliseren. Door deze site te gebruiken, gaat u akkoord met ons gebruik van cookies. Privacybeleid
        Afwijzen Accepteren