Thuis > Producten > Bout > Ronde kopbout > Hijsoogbout
        Hijsoogbout
        • HijsoogboutHijsoogbout
        • HijsoogboutHijsoogbout
        • HijsoogboutHijsoogbout

        Hijsoogbout

        De uitgebreide catalogus van XIAOGUO® omvat bouten, moeren, schroeven en ringen die zijn ontworpen voor extreme duurzaamheid. Hijsoogbouten zijn verkrijgbaar in verschillende typen, waaronder schouder-, niet-schouder- en draaibare varianten, elk geschikt voor specifieke richtingskrachten.
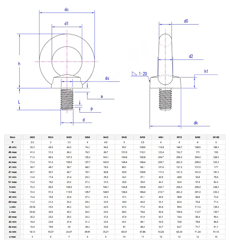
        Model:GB/T 885-1986

        Stuur onderzoek

        Productomschrijving

        Hijsoogboutzijn erg belangrijk voor het heffen van machines, het vastzetten van vracht en het op hun plaats houden van constructies. In de bouw worden ze gebruikt om HVAC-systemen of stalen balken op te hangen. Bij maritiem werk helpt het bij het optuigen van zeilen of het beveiligen van afmeerapparatuur voor boten. Op theaterpodia worden ze gebruikt om verlichtingsopstellingen op te hangen, en in autoreparatiewerkplaatsen houden ze motoren op hun plaats tijdens reparaties.


        Ze zijn niet alleen bedoeld voor industriële spullen; je kunt ze zelfs thuis gebruiken om een ​​schommel of iets dergelijks op te hangen. Ze werken in alles, van kleine residentiële klussen tot grote bouwprojecten. Zorg ervoor dat de oogbouten die u gebruikt het gewicht aankunnen dat u nodig heeft. Het controleren van de ladingsspecificaties is essentieel om ervoor te zorgen dat alles veilig blijft en goed blijft werken, ongeacht waarvoor u het gebruikt.

        Lifting Eye Bolt

        Productdetails:

        Installerenhijsoogboutgoed is erg belangrijk voor de manier waarop ze werken. Schoudertypes moeten volledig in de gaten worden geplaatst die u eerst hebt geboord. Als de last niet recht is (zoals schuin), gebruik dan versies met draaibare ogen. Plaats er nooit meer gewicht op dan de nominale limiet, en gebruik ze niet als de schroefdraad beschadigd is. Zorg ervoor dat de last gecentreerd is, zodat u er geen zijwaartse druk op uitoefent. Gebruik ringen of kragen om de kracht te verspreiden. Gebruik voor het hijsen boven het hoofd gecertificeerde hijsuitrusting.

        Productparameters

        Lifting Eye Bolts

        Veelgestelde vragen

        Vraag: Hoe kies ik tussen een vervalstehijsoogbouten een gelaste oogbout?

        A: De gesmede exemplaren hebben een hogere sterkte en zijn geschikter voor het hijsen van zware voorwerpen. Dit komt omdat het smeedproces de metaalvezels netjes bij elkaar kan rangschikken, waardoor ze steviger en duurzamer worden. De prijs van het gesmede type is hoger in vergelijking met het gelaste type. Het gelaste type (zoals ring- of pakkingtype) heeft een lagere prijs en is geschikt voor niet-kritische statische belastingen. De lasnaad kan echter een zwak punt worden, waardoor deze geen zware lasten kan dragen en een zwakker draagvermogen heeft. Voor situaties waarin zware voorwerpen moeten worden opgetild, moet u kiezen voor gesmede ringbouten met betrouwbare certificering (zoals ISO 9001). De lasbouten kunnen onder normale omstandigheden worden gebruikt voor fixatie of verankering zonder plotselinge of bewegende krachten. Als u niet zeker bent over de gewichtsvereisten, raadpleeg dan ons team. Wij helpen u ervoor te zorgen dat u niet de verkeerde keuze maakt.


        Hottags: Hijsoogbout, China, fabrikant, leverancier, fabriek
        Gerelateerde categorie
        Stuur onderzoek
        Stel gerust uw vraag via onderstaand formulier. Wij zullen u binnen 24 uur antwoorden.
        X
        We gebruiken cookies om u een betere browse-ervaring te bieden, het siteverkeer te analyseren en de inhoud te personaliseren. Door deze site te gebruiken, gaat u akkoord met ons gebruik van cookies. Privacybeleid
        Afwijzen Accepteren