Voor deborgkraag met boutbevestiging, je kunt materialen kiezen op basis van wat je nodig hebt. Koolstofstaal (zoals SAE 1070/1095) wordt gebruikt wanneer u een sterk materiaal nodig heeft voor zware klussen. Roestvrij staal (AISI 304/316) werkt goed op plaatsen waar dingen kunnen roesten of corroderen. Titaniumlegeringen zijn goed voor lucht- en ruimtevaarttoepassingen waar ze het licht maar sterk nodig hebben. Er zijn ook speciale dingen zoals Inconel® voor situaties met extreme temperaturen, heel warm of heel koud.
Ze testen elk materiaal zorgvuldig om er zeker van te zijn dat het standhoudt. Ze controleren hoeveel het kan uitrekken zonder te breken (tot 1500 MPa) en hoeveel slijtage het in de loop van de tijd aankan. Door de verscheidenheid aan materialen kan deze borgring in veel verschillende omgevingen werken, van superkoude plaatsen tot fabrieken met hoge temperaturen.
Het verzorgen van deborgkraag met boutbevestigingbetekent dat u regelmatig controles uitvoert op de vastheid van de bouten, oppervlakteslijtage of roest. Draai tijdens onderhoud de bouten vast met het door de fabrikant aanbevolen aanhaalmoment (meestal 20-50 Nm). Gebruik zachte schoonmaakmiddelen om vuil weg te vegen en doe wat anti-vastloopvet op de schroefdraden, zodat je ze later gemakkelijker uit elkaar kunt halen. Als je barsten ziet of als de ring misvormd is, verwissel hem dan. Bewaar de ringen op een droge plaats met een gecontroleerde temperatuur om te voorkomen dat ze beschadigd raken voordat u ze installeert. Door deze routine vol te houden, werken ze het beste en kunnen ze tot 30% langer meegaan.

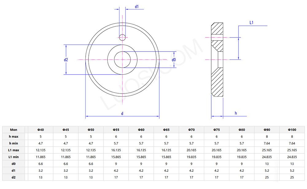
Vraag: Hoe bepaal ik de juiste maat van eenborgkraag met boutbevestigingvoor mijn asdiameter?
A: Het goede kiezenborgkraag met boutbevestiginghangt af van de dikte (OD) en het draadtype van uw as. Begin met het meten van de dikte van uw schacht en vergelijk deze met de maattabel van de fabrikant. Belangrijke dingen om op te merken: de binnenmaat van de kraag moet overeenkomen met de schroefdraad van de schacht, de maat van de bout en hoe dik de kraag is. Als uw schacht geen schroefdraad heeft, moet u eerst schroefdraad toevoegen. Controleer altijd of de draden metrisch of imperiaal zijn – het door elkaar halen veroorzaakt hoofdpijn. Voor schachten met afwijkende maten bestaan er op maat gemaakte halsbanden, maar deze kosten extra tijd en geld.
Onze boutvaste sluitkragen zijn hoofdzakelijk gemaakt van koolstofstaal. We kiezen dit materiaal omdat het een goede taaiheid en slijtvastheid heeft, die aan de basisgebruiksbehoeften van het product kan voldoen.
Voordat de producten de fabriek verlaten, coaten we de oppervlakken ervan met een antiroestlaag. Deze behandeling zorgt ervoor dat de halsbanden niet gaan roesten als ze in vochtige omgevingen worden gebruikt of gedurende langere tijd worden bewaard.
We hebben ook optionele materialen zoals roestvrij staal, voor klanten die een betere corrosieweerstand nodig hebben. De materiaaldikte van het product is ontworpen op basis van standaard draagvereisten, zodat het bij normaal gebruik niet zal vervormen of breken.
Het boutgedeelte is gemaakt van hetzelfde materiaal als de kraag, zodat het hele product consistente prestaties en stabiliteit heeft.
De verzendkosten voor onze met bouten bevestigde halsbanden zijn afhankelijk van waar u ze heen stuurt, welke verzendmethode u kiest en hoeveel u er bestelt.
Als u voor standaardlogistiek kiest, zijn de kosten lager, maar duurt de levering iets langer: meestal 3 tot 7 werkdagen. Voor spoedbestellingen kunt u kiezen voor expreslevering, maar dat kost meer. De exacte meerprijs is afhankelijk van hoe ver de zending moet gaan.
Wanneer uw bestelling een bepaald aantal bereikt, dekken wij de verzendkosten voor u. Elk product is klein en licht, dus zelfs bestellingen in kleine batches hebben geen superhoge verzendkosten.
Voordat we iets verzenden, verpakken we de halsbanden goed om schade tijdens het transport te voorkomen. En deze verpakkingskosten zijn al inbegrepen in de verzendkosten; u hoeft er niet extra voor te betalen.
Als je de exacte verzendkosten wilt weten, vraag het dan aan onze klantenservice. Ze berekenen het op basis van uw specifieke bestelgegevens.
Vraag: Wat is de MOQ en levertijd voor uw sluitkraag met boutbevestiging, en bieden jullie kortingen bij bulkbestellingen?
A: De minimale bestelhoeveelheid (MOQ) voor standaard sluitkraag met boutbevestiging is 300 stuks, met een levertijd van 7-10 werkdagen voor reguliere bestellingen. Voor bulkbestellingen van meer dan 5000 stuks bieden we gelaagde kortingen (3%–10% korting) om uw inkoopkosten te verlagen. Op maat gemaakte sluitkraag met boutbevestiging heeft een minimale bestelhoeveelheid van 500 stuks en een levertijd van 12 tot 18 werkdagen, inclusief monstervalidatie en productieplanning.