Deze UN-geklonken noppen voor printplaten zijn meestal gemaakt van goede staallegeringen, zoals koolstofarm of roestvrij staal, of aluminium. Ze hebben een solide mechanische sterkte en houden goed stand in de loop van de tijd.
Stalen exemplaren bieden de meeste trek- en schuifsterkte. Aluminium daarentegen geleidt elektriciteit goed en is licht.
Het metaal dat voor deze noppen is gekozen, zorgt ervoor dat ze zware mechanische belastingen en stress door verwarmings- en koelcycli aankunnen, en sterk blijven gedurende de hele tijd dat het product in gebruik is.
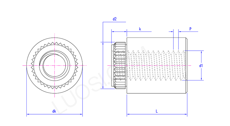
De UN-geklonken noppen voor printplaten zijn een permanent en zeer sterk bevestigingsmiddel dat wordt gebruikt om een betrouwbaar bevestigingspunt met externe schroefdraad op printplaten (PCB's) te bieden. Hier staat "UN" doorgaans voor "Uniforme Nationale Standaard", verwijzend naar het gestandaardiseerde schroefdraadtype dat het bezit (zoals UNC of UNF), wat de compatibiliteit met verschillende standaardmoeren garandeert.
Het installatieproces is snel en efficiënt. Steek de stijl in het voorgeboorde gat op de printplaat. Gebruik vervolgens een speciaal klinknagelgereedschap om het platte uiteinde van de stijl te vervormen, waardoor deze naar buiten uitzet en stevig vastgrijpt tussen de klinknagelkop en de schouder of flens van de stijl, waardoor een sterke en trillingsbestendige verbinding ontstaat zonder dat lassen nodig is.
Deze methode is met name geschikt voor scenario's waarin grote mechanische spanningen moeten worden weerstaan, meerdere plug-in-bewerkingen moeten worden ondergaan of waarbij de door het lassen gegenereerde hitte gevoelige componenten kan beschadigen.
Deze UN-geklonken noppen voor printplaten worden geplaatst met behulp van een koudvorm- of klinkmethode.
Je steekt de stud door een voorgeboord gat in de printplaat. Vervolgens buigt een speciaal klinkgereedschap de schacht van de nop tegen een matrijs onder de plank, waardoor een permanente, uitlopende vergrendeling ontstaat die hem op zijn plaats houdt.
De koude verwerkingsmethode genereert minder warmte en beschadigt het PCB-laminaat of de circuits niet. Indien correct geïnstalleerd, zorgen de noppen voor een sterke en trillingsbestendige bevestiging zonder de structuur van de printplaat in gevaar te brengen.

| Markt | Omzet (vorig jaar) | Totale omzet (%) |
| Noord-Amerika | Vertrouwelijk | 20 |
| Zuid-Amerika | Vertrouwelijk | 4 |
| Oost-Europa | Vertrouwelijk | 24 |
| Zuidoost-Azië | Vertrouwelijk | 2 |
| Afrika | Vertrouwelijk | 2 |
| Oceanië | Vertrouwelijk | 1 |
| Midden-Oosten | Vertrouwelijk | 4 |
| Oost-Azië | Vertrouwelijk | 13 |
| West-Europa | Vertrouwelijk | 18 |
| Midden-Amerika | Vertrouwelijk | 6 |
| Noord-Europa | Vertrouwelijk | 2 |
| Zuid-Europa | Vertrouwelijk | 1 |
| Zuid-Azië | Vertrouwelijk | 4 |
| Binnenlandse markt | Vertrouwelijk | 5 |