Thuis > Producten > Moer > Ronde moer > Trillingsbestendige ronde moer met gleufvergrendeling
        Trillingsbestendige ronde moer met gleufvergrendeling
        • Trillingsbestendige ronde moer met gleufvergrendelingTrillingsbestendige ronde moer met gleufvergrendeling
        • Trillingsbestendige ronde moer met gleufvergrendelingTrillingsbestendige ronde moer met gleufvergrendeling
        • Trillingsbestendige ronde moer met gleufvergrendelingTrillingsbestendige ronde moer met gleufvergrendeling
        • Trillingsbestendige ronde moer met gleufvergrendelingTrillingsbestendige ronde moer met gleufvergrendeling
        • Trillingsbestendige ronde moer met gleufvergrendelingTrillingsbestendige ronde moer met gleufvergrendeling

        Trillingsbestendige ronde moer met gleufvergrendeling

        Trillingsbestendige ronde borgmoer met sleuf is een product waarbij de fabriek van Xiaoguo® gebruik maakt van geavanceerde koudsmeedtechnologie, waardoor een uitstekende maatnauwkeurigheid en materiaalsterkte in zijn producten behouden blijven. De primaire functie van deze moer is het veilig vastzetten op een onderdeel met schroefdraad, meestal in combinatie met een splitpen, om losdraaien te voorkomen.

        Stuur onderzoek

        Productomschrijving

        Trillingsbestendige ronde borgmoeren met sleuf worden veel gebruikt op het gebied van robotica en automatisering. Hun stabiele vergrendelingsfunctie garandeert de nauwkeurigheid van verbindingen en schroefstangcomponenten. Met hun compacte en ronde vorm zijn ze geschikt voor smalle ruimtes. Wij bieden concurrerende prijzen aan fabrikanten van originele apparatuur in de technologische industrie en bieden gedifferentieerde kortingen voor jaarcontracten. Deze moer is voorzien van diverse coatings, zoals nikkelcoating (indien een specifieke uitstraling gewenst is). We garanderen snelle verzending vanuit lokale magazijnen om productiestilstand te verminderen.

        De moeren zijn verpakt in antistatische, gescheiden verpakkingsdozen om beschadigingen te voorkomen. Elke moer ondergaat controles op schroefdraadnauwkeurigheid en borgkracht.

        Uitstekende corrosieweerstand en lage prijs

        In maritieme en offshore werkomgevingen moeten de trillingsbestendige ronde borgmoeren stabiel kunnen blijven in ruwe, zoutrijke omgevingen - daarom zijn ze zeer geschikt voor gebruik in boorplatforms en dekmachines. De meeste producten zijn gemaakt van roestvrij staal 316 of zijn behandeld met diepe galvanisatietechnologie om effectieve corrosiebescherming te bereiken en de levensduur van het product te verlengen.

        Onze prijzen zijn ontworpen om concurrerend te zijn voor maritieme aannemers en kortingen worden aangeboden op basis van specifieke projecten. De roestvrijstalen versies hebben meestal een donkerzilveren oppervlaktebehandeling. Wij bieden zeevrachtdiensten tegen concurrerende prijzen. Onze verpakkingen zijn speciaal geconfigureerd met VCI-dampcorrosie-remmend papier en waterdichte zakken om dubbele bescherming te bieden tegen mogelijke schade tijdens transport. Dit zorgt ervoor dat de goederen in perfecte staat aankomen.

        Voldoen aan internationale normen

        Onze productie van trillingsbestendige ronde moeren met sleufsluiting voldoet aan de belangrijkste internationale normen, waaronder DIN 935, ISO 7718 en ASTM-specificaties. Dit zorgt ervoor dat elke trillingsbestendige ronde moer met sleufsluiting voldoet aan strenge eisen op het gebied van afmetingen en mechanische eigenschappen. Bij elke zending trillingsbestendige ronde borgmoeren met gleuf leveren wij volledige certificeringsdocumentatie om uw kwaliteitscontroleprocessen te vergemakkelijken.


        Vibration Proof Slotted Locking Round Nut

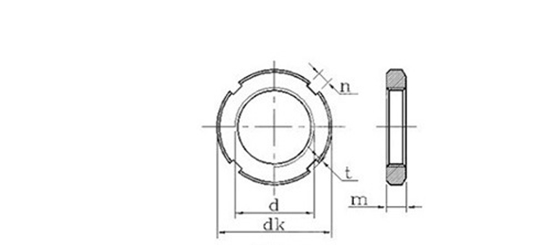
        d*P
        dk m n t 1000

        kg

        d*P
        dk m n t 1000

        ≈kg
        nax negen maximaal min maximaal min nax min
        M10*1 22 8 4.3 4 2.6 2 16.82 M64*2 95 12 8.36 8 4.25 3.5 351.9
        M12*1,25 25 21.58 M65*2 95 342.4
        M14*1,5 28 26.82 M68*2 100 10.36 10 4.75 4 380.2
        M16*1,5 30 5.3 5 3.1 2.5 28.44 M72*2 105 15 518
        M18*1,5 32 31.19 M75*2 105 477.5
        M20*1,5 35 37.31 M76*2 110 562.4
        M22*1,5 38 10 54.91 M80*2 115 608.4
        M24*1,5 42 68.88 M85*2 120 640.6
        M25*1,5 42 68.88 M90*2 125 18 12.43 12 5.75 5 796.1
        M27*1,5 45 75.49 M95*2 130 834.7
        M30*1,5 48 82.11 M100*2 135 873.3
        M33*1,5 52 6.3 6 3.6 3 93.32 M105*2 140 895
        M35*1,5 52 84.99 M110*2 150 14.43 14 6.75 6 1076
        M36*1,5 55 100.3 115*2 155 22 1369
        M39*1,5 58 107.3 M120*2 160 1423
        M40*1,5 58 109.5 M125*2 165 1477
        M42*1,5 62 121.8 M130*2 170 1531
        M45*1,5 68 153.6 M140*2 180 26 1937
        M48*1,5 72 12 8.36 8 4.25 3.5 201.2 M150*2 200 16.43 16 7.9 7 2651
        M50*1,5 72 186.8 M160*3 210 2810
        M52*1,5 78 238 M170*3 220 2970
        M55*2 78 214.4 M180*3 230 30 3610
        M56*2 85 290.1 190*3 240 3794
        M60*2 90 320.3 M200*3 250 3978

        Hottags: Trillingsbestendige ronde moer met gleufvergrendeling
        Gerelateerde categorie
        Stuur onderzoek
        Stel gerust uw vraag via onderstaand formulier. Wij zullen u binnen 24 uur antwoorden.
        X
        We gebruiken cookies om u een betere browse-ervaring te bieden, het siteverkeer te analyseren en de inhoud te personaliseren. Door deze site te gebruiken, gaat u akkoord met ons gebruik van cookies. Privacybeleid
        Afwijzen Accepteren