Thuis > Producten > Lasmoeren > Lasschroef > Lasschroeven voor onderste projectie
        Lasschroeven voor onderste projectie
        • Lasschroeven voor onderste projectieLasschroeven voor onderste projectie
        • Lasschroeven voor onderste projectieLasschroeven voor onderste projectie
        • Lasschroeven voor onderste projectieLasschroeven voor onderste projectie

        Lasschroeven voor onderste projectie

        Lasschroeven met bodemprojectie kunnen stevig op metalen oppervlakken worden gelast. Het heeft schroefdraad aan de bovenkant en kan worden gebruikt voor het verbinden van onderdelen. Ze zijn geschikt voor zware machines, staalconstructies of industriële apparatuur die een stevige en permanente bevestiging vereisen. Xiaoguo® Company biedt praktische opties.
        Model:QC/T 598-1999

        Stuur onderzoek

        Productomschrijving

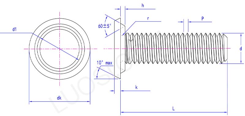
        De kop van de lasschroeven met onderste projectie is cirkelvormig en heeft kleine laspunten. De schroef heeft een cilindrische vorm en het oppervlak is gegraveerd met normale en fijne draden. Ze zijn verkrijgbaar in verschillende maten om uit te kiezen.

        Toepassingen

        Projectielasschroef wordt gebruikt bij de decoratie van gebouwen. In de interieurdecoratie worden deze bouten gebruikt voor het bevestigen van deuren en ramen, decoratieve panelen, plafondbalken en andere componenten; in sommige kleine verbindingsdelen van gebouwen met staalconstructies kunnen ze ook worden gebruikt voor verbinding. Ze zijn erg handig.

        bottom projection weld screws parameter

        ma
        M4 M5 M6 M8 M10 M12
        P
        0.7 0.8 1 1.25 1.5 1.75
        dk max
        11.5 12.5 14.5 19 21 24
        dk min
        11.23 12.23 14.23 18.67 20.67 23.67
        k max
        2 2.5 2.5 3.5 4 5
        k min
        1.75 2.25 2.25 3.25 3.75 4.75
        min
        0.2 0.2 0.3 0.3 0.4 0.4
        d1 maximaal
        8.75 9.75 10.75 14.25 16.25 18.75
        d1 min
        8.5 9.5 10.5 14 16 18.5
        maximaal
        1.25 1.25 1.25 1.45 1.45 1.65
        u min
        0.9 0.9 0.9 1.1 1.1 1.3

        De onderste projectie-lasschroeven worden ook gebruikt in de mechanische maakindustrie. Ze zijn van toepassing op de algemene montage van mechanische apparatuur, zoals de verbinding van componenten in kleine machines en instrumenten, en zorgen ervoor dat elk onderdeel van de machine tijdens bedrijf in een vaste positie blijft en stabiel werkt.

        Deze projectielasschroef wordt gebruikt bij de montage van elektronische apparaten. Voor de verbindingen van sommige behuizingen van elektronische apparaten en interne steunen die hoge eisen stellen aan het uiterlijk en een bepaalde aanhaalsterkte vereisen, is dit type bout zeer geschikt. Het zorgt voor een stabiele verbinding zonder het uiterlijk van de apparatuur te beïnvloeden.

        Producteigenschap

        De onderste uitstekende lasschroeven hebben na installatie een relatief glad oppervlak, waardoor het minder waarschijnlijk is dat mensen of andere voorwerpen worden bekrast. De laspunten op de kop kunnen gebruikt worden om voor te lassende boutaan een specifiek onderdeel, waardoor latere montage wordt vergemakkelijkt. De schroefdraadnauwkeurigheid is hoog, waardoor deze stevig in de bijpassende moer past, wat een betrouwbaar bevestigingseffect oplevert en goede verbindingsprestaties behoudt, zelfs na meerdere demontage en hermontage.


        Hottags: Bodemprojectielasschroeven, China, fabrikant, leverancier, fabriek
        Gerelateerde categorie
        Stuur onderzoek
        Stel gerust uw vraag via onderstaand formulier. Wij zullen u binnen 24 uur antwoorden.
        X
        We gebruiken cookies om u een betere browse-ervaring te bieden, het siteverkeer te analyseren en de inhoud te personaliseren. Door deze site te gebruiken, gaat u akkoord met ons gebruik van cookies. Privacybeleid
        Afwijzen Accepteren