Thuis > Producten > Moer > Zeshoekige flensmoer > Verzonken gemonteerde lasflensmoer
        Verzonken gemonteerde lasflensmoer
        • Verzonken gemonteerde lasflensmoerVerzonken gemonteerde lasflensmoer
        • Verzonken gemonteerde lasflensmoerVerzonken gemonteerde lasflensmoer
        • Verzonken gemonteerde lasflensmoerVerzonken gemonteerde lasflensmoer
        • Verzonken gemonteerde lasflensmoerVerzonken gemonteerde lasflensmoer
        • Verzonken gemonteerde lasflensmoerVerzonken gemonteerde lasflensmoer

        Verzonken gemonteerde lasflensmoer

        In tegenstelling tot gewone moeren is een verzonken lasflensmoer ontworpen om direct op zijn plaats te worden gelast. Dat zorgt voor een sterke, vaste verbinding die bedoeld is voor zware opstellingen. Als u vragen heeft over certificeringen, welke materialen worden gebruikt of details over onze leveranciers, stel deze dan gerust. Ons team bij Xiaoguo® kan u voorzien van alle informatie die u nodig heeft.
        Model:QC/T 872-2011

        Stuur onderzoek

        Productomschrijving

        In spoorwegsystemen zijn verzonken lasflensmoeren van cruciaal belang voor het samenstellen van sporen, draaistellen en seininrichtingen. Ze komen niet gemakkelijk los, zelfs niet bij constante beweging en zware lasten, waardoor de werkzaamheden veilig blijven.

        De geflensde basis van deze moeren zorgt ervoor dat alles stabiel blijft en vermindert de slijtage van de onderdelen waaraan ze zijn bevestigd. Ze zijn meestal gemaakt van hoogwaardig staal, dus ze kunnen veel druk verdragen, evenals hitteveranderingen en vocht.

        Ze voldoen ook aan alle specificaties voor gebruik op het spoor: duurzaam genoeg om langdurig te functioneren in zowel passagiers- als goederentreinen. Kortom, als je moeren nodig hebt die stevig vastzitten en standhouden in spoorwegopstellingen (waar betrouwbaarheid van groot belang is), zijn deze een solide keuze.

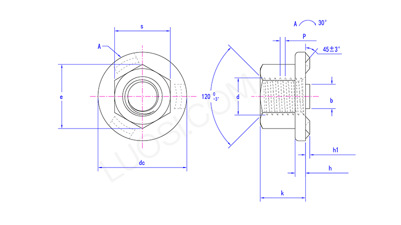
        ma M5 M6 M8 M10 M12 M14 M16
        P 0.8 1 1.25 1.5 1.75 2 2
        h1 maximaal 0.9 0.9 1.1 1.3 1.3 1.3 1.3
        u1 min 0.7 0.7 0.9 1.1 1.1 1.1 1.1
        gelijkstroom max 15.5 18.5 22.5 26.5 30.5 33.5 36.5
        gelijkstroom min 14.5 17.5 21.5 25.5 29.5 32.5 35.5
        e min 8.2 10.6 13.6 16.9 19.4 22.4 25
        maximaal 1.95 2.25 2.75 3.25 3.25 4.25 4.25
        u min 1.45 1.75 2.25 2.75 2.75 3.75 3.75
        maximaal 4.1 5.1 6.1 7.1 8.1 8.1 8.1
        b min 3.9 4.9 5.9 6.9 7.9 7.9 7.9
        k min 4.7 6.64 9.64 12.57 14.57 16.16 18.66
        k max 5 7 10 13 15 17 19.5
        maximaal 8 10 13 16 18 21 24
        s min 7.64 9.64 12.57 15.57 17.57 20.16 23.16

        Flush-Mount Welding Flange Nut


        Productvoordelen

        De verzonken lasflensmoer heeft een ingebouwde flens die werkt als een sluitring; hij geeft een groter draagoppervlak dan gewone moeren. Dit ontwerp verlaagt de druk op het oppervlak en zorgt ervoor dat de aangesloten materialen niet beschadigd raken.

        Deze moeren worden meestal geleverd met een zeshoekige of ronde basis. Het oppervlak kan ruw (gekarteld) of glad zijn, afhankelijk van hoeveel grip je nodig hebt. Ze zijn meestal gemaakt van koolstofstaal, roestvrij staal of legeringen en zijn vaak voorzien van een zink- of gegalvaniseerde coating om roest te voorkomen.

        Ook al zijn ze behoorlijk compact, ze zijn sterk gebouwd en werken met de meeste lasopstellingen. Kortom, door de ingebouwde flens is er geen aparte sluitring meer nodig, en de materialen/coatings zorgen ervoor dat ze goed standhouden - eenvoudig maar effectief voor laswerkzaamheden.

        Vraag: Hoe is de corrosieweerstand van uw verzonken lasflensmoer?

        A: Standaard verzonken lasflensmoeren van koolstofstaal zijn voorzien van een verzinkte coating en bieden basisbescherming. Voor een betere corrosiebestendigheid (geschikt voor zware/buitentoepassingen) worden onze roestvrijstalen verzonken lasflensmoeren aanbevolen als voorkeursoptie.



        Hottags: Inbouw lasflensmoer, China, fabrikant, leverancier, fabriek
        Gerelateerde categorie
        Stuur onderzoek
        Stel gerust uw vraag via onderstaand formulier. Wij zullen u binnen 24 uur antwoorden.
        X
        We gebruiken cookies om u een betere browse-ervaring te bieden, het siteverkeer te analyseren en de inhoud te personaliseren. Door deze site te gebruiken, gaat u akkoord met ons gebruik van cookies. Privacybeleid
        Afwijzen Accepteren