Vorkgewricht

        Vorkgewricht

        Xiaoguo® Fork Joint wordt vervaardigd in strikte overeenstemming met de Duitse industriële standaard DIN 71752-1994 en wordt gebruikt voor swing- en rotatieverbindingen in mechanische systemen. Het vorkgewricht neemt een open vorkvormige structuur aan en werkt samen met de pin om bidirectionele articulatie te bereiken.
        Model:DIN 71752-1994

        Stuur onderzoek

        Productomschrijving


        Vorkgewricht wordt veel gebruikt in scenario's die hoekcompensatie en bewegingsoverdracht vereisen, zoals de ophanging van de landbouwmachines, engineeringapparatuurverbindingen, enz.


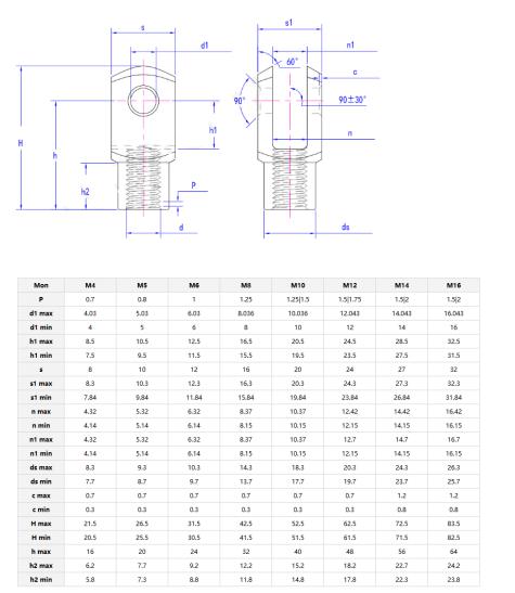
        Details en parameters

        De 120 ° symmetrische vork maakt ± 15 ° swing mogelijk. Het vorkgewricht past zich aan niet aan niet-coaxiale installatiefouten en voorkomt de stressconcentratie in rigide verbindingen. Het materiaal van dit gewricht kan worden geselecteerd uit 42CRMO -legeringsstaal (hoge sterkte) of 316 roestvrij staal (corrosieweerstand) om te voldoen aan de behoeften van verschillende werkomstandigheden.

        Fork joint

        Vorkverbindingen zijn van cruciaal belang in transportsystemen en verbinden riemsegmenten voor overdracht van gladde materiaal. Hun gevorkte ontwerp absorbeert trillingen en laterale krachten, waardoor het onderhoud wordt verminderd. In robotarmen maken vorkverbindingen multi-as bewegingen mogelijk voor precieze taken zoals assemblagelijnbewerkingen.

        Fork joint

        Marktverdeling

        Markt
        Inkomsten (vorig jaar)
        Totale inkomsten (%)
        Noord -Amerika
        Vertrouwelijk
        23
        Zuid -Amerika
        Vertrouwelijk 5
        Oost -Europa
        Vertrouwelijk
        19
        Zuidoost -Azië
        Vertrouwelijk
        2
        Oceanië
        Vertrouwelijk
        3
        Midden -oosten
        Vertrouwelijk
        2
        Oost -Azië
        Vertrouwelijk
        15
        West -Europa
        Vertrouwelijk
        15
        Midden -Amerika
        Vertrouwelijk
        5
        Zuid -Azië
        Vertrouwelijk
        6

        Binnenlandse markt

        Vertrouwelijk
        5


        Waarom kiezen voor ons

        Met ervaring in de productie van vorkverbinding in overeenstemming met de DIN 71752-1994-standaard, bieden we pin-fork pairing-tests (koppel-swinghoekcurves) om prestaties op systeemniveau te garanderen;

        We voltooien niet-standaard vorkmondontwerpen (zoals vorkmonden met smeergroeven en antislip vergrendelingsstructuren) binnen 7 dagen en ondersteunende verwerking op basis van tekeningen.



        Hottags: Vork Joint, China, fabrikant, leverancier, fabriek
        Gerelateerde categorie
        Stuur onderzoek
        Stel gerust uw vraag via onderstaand formulier. Wij zullen u binnen 24 uur antwoorden.
        X
        We gebruiken cookies om u een betere browse-ervaring te bieden, het siteverkeer te analyseren en de inhoud te personaliseren. Door deze site te gebruiken, gaat u akkoord met ons gebruik van cookies. Privacybeleid
        Afwijzen Accepteren