Thuis > Producten > Moer > Zeshoekige moer > Zeshoekige lasmoer met hoge sterkte
        Zeshoekige lasmoer met hoge sterkte
        • Zeshoekige lasmoer met hoge sterkteZeshoekige lasmoer met hoge sterkte
        • Zeshoekige lasmoer met hoge sterkteZeshoekige lasmoer met hoge sterkte
        • Zeshoekige lasmoer met hoge sterkteZeshoekige lasmoer met hoge sterkte
        • Zeshoekige lasmoer met hoge sterkteZeshoekige lasmoer met hoge sterkte
        • Zeshoekige lasmoer met hoge sterkteZeshoekige lasmoer met hoge sterkte

        Zeshoekige lasmoer met hoge sterkte

        Oppervlaktebehandelingen zoals verzinken of galvaniseren worden vaak toegepast op de zeshoekige lasmoer met hoge sterkte, waardoor de corrosieweerstand en duurzaamheid in verschillende omgevingen worden verbeterd. Kiezen voor Xiaoguo® betekent samenwerken met een bedrijf dat betrouwbaarheid, kwaliteit en klanttevredenheid boven alles waardeert - een bedrijf dat naadloos samenwerkt met fabrikanten om ervoor te zorgen dat elke oplossing voldoet aan de hoogste normen van uitmuntendheid.
        Model:DIN 929-2000

        Stuur onderzoek

        Productomschrijving

        Fabrikanten van zeshoekige lasmoeren met hoge sterkte moeten produceren volgens industrienormen, zodat de sterkte, precisie en laskwaliteit van de moeren aan de normen kunnen voldoen. Ze betekenen ook dat noten van verschillende leveranciers vaak uitwisselbaar zijn. DIN-normen definiëren bijvoorbeeld zaken als exacte afmetingen, materialen en sterkte-eisen. ISO-normen helpen de kwaliteit internationaal consistent te houden. ASTM-normen richten zich meer op testmethoden en materiaalspecificaties. Wanneer bedrijven deze regels volgen, kunnen hun moeren in verschillende toepassingen worden gebruikt en gemakkelijk worden vervangen door andere conforme onderdelen.

        Productdetails

        In de toekomst zal de High Strength Hexagon Weld Nut-technologie waarschijnlijk steeds beter worden. Fabrikanten kunnen nieuwe materialen of mengsels testen om ze nog beter te laten werken, misschien door legeringen te ontwikkelen die sterker zijn en beter bestand zijn tegen roest. We konden ook aanpassingen zien aan de vorm van de laspunten of het moerlichaam om het lassen schoner te maken en zwaardere belastingen te ondersteunen. Naarmate de lasmethoden verbeteren, is het mogelijk om noten van betere kwaliteit te produceren tegen lagere kosten. Dit soort updates moeten ervoor zorgen dat zeskantlasmoeren bruikbaar en betrouwbaar blijven in verschillende industrieën.

        Vraag: Hoe worden zeshoekige lasmoeren met hoge sterkte verpakt voor verzending?

        A: We verpakken zeskantlasmoeren om ze veilig te houden tijdens verzending. Voor grotere bestellingen gebruiken we gestandaardiseerde verpakkingen: voor de buitenlaag worden verdikte kartonnen dozen of zeer sterke, gesloten zakken gebruikt. De treksterkte en afdichtingseigenschappen van het materiaal blokkeren vocht en dempen externe schokken. Na het verpakken worden de goederen handmatig gekalibreerd en mechanisch ondersteund om stabiel te worden gestapeld op antislippallets, voorzien van bufferschotten en vastgezet met omsnoeringsbanden. Of ze nu over de weg of over zee worden vervoerd, ze kunnen veilig worden gestapeld. De dubbele bescherming van "materiaalbescherming + stapelversterkingen

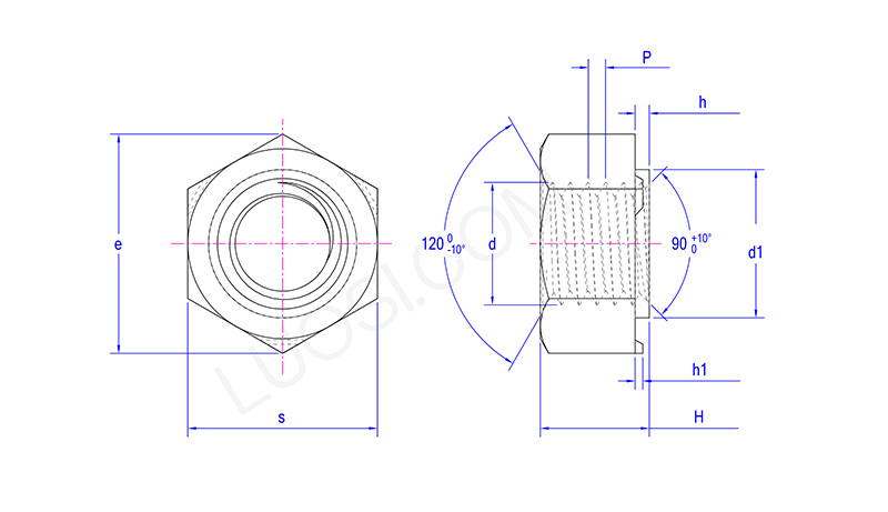
        ma M3 M4 M5 M6 M8 M10 M12 M14 M16
        P 0.5 0.7 0.8 1 1丨1,25 1丨1,25丨1,5 1,25丨1,5丨1,75 1,5丨2 1,5丨2
        d1 maximaal 4.47 5.97 6.96 7.96 10.45 12.45 14.75 16.75 18.735
        d1 min 4.395 5.895 6.87 7.87 10.34 12.34 14.64 16.64 18.605
        e min 8.15 9.83 10.95 12.02 15.38 18.74 20.91 24.27 26.51
        maximaal 0.55 0.65 0.7 0.75 0.9 1.15 1.4 1.8 1.8
        u min 0.45 0.55 0.6 0.6 0.75 0.95 1.2 1.6 1.6
        h1 maximaal 0.25 0.35 0.4 0.4 0.5 0.65 0.8 1 1
        u1 min 0.15 0.25 0.3 0.3 0.35 0.5 0.6 0.8 0.8
        maximaal 7.5 9 10 11 14 17 19 22 24
        s min 7.28 8.78 9.78 10.73 13.73 16.73 18.67 21.67 23.67
        H max 3 3.5 4 5 6.5 8 10 11 13
        H min 2.75 3.2 3.7 4.7 6.14 7.64 9.64 10.57 12.57

        High-strength Hexagon Weld Nut



        Hottags: Zeshoekige lasmoer met hoge sterkte, China, fabrikant, leverancier, fabriek
        Gerelateerde categorie
        Stuur onderzoek
        Stel gerust uw vraag via onderstaand formulier. Wij zullen u binnen 24 uur antwoorden.
        X
        We gebruiken cookies om u een betere browse-ervaring te bieden, het siteverkeer te analyseren en de inhoud te personaliseren. Door deze site te gebruiken, gaat u akkoord met ons gebruik van cookies. Privacybeleid
        Afwijzen Accepteren