Thuis > Producten > Moer > Zeshoekige moer > Precisie gemanipuleerde zeshoekige lasmoer
      Precisie gemanipuleerde zeshoekige lasmoer
      • Precisie gemanipuleerde zeshoekige lasmoerPrecisie gemanipuleerde zeshoekige lasmoer
      • Precisie gemanipuleerde zeshoekige lasmoerPrecisie gemanipuleerde zeshoekige lasmoer
      • Precisie gemanipuleerde zeshoekige lasmoerPrecisie gemanipuleerde zeshoekige lasmoer
      • Precisie gemanipuleerde zeshoekige lasmoerPrecisie gemanipuleerde zeshoekige lasmoer
      • Precisie gemanipuleerde zeshoekige lasmoerPrecisie gemanipuleerde zeshoekige lasmoer

      Precisie gemanipuleerde zeshoekige lasmoer

      De precisie gemanipuleerde zeshoekige lasmoer is vaak gemaakt van hooggraden materialen zoals staal of roestvrij staal, waardoor uitstekende lasbaarheid en langdurige sterkte wordt gewaarborgd. Duurzaamheid is belangrijk bij Xiaoguo®; Het bedrijf gebruikt, net als veel vooruitstrevende fabrikanten, milieuvriendelijke materialen en processen om zijn milieuvoetafdruk te verminderen.
      Model:DIN 929-2000

      Stuur onderzoek

      Productomschrijving

      De materiaalkeuze van precisie gemanipuleerde zeshoekige lasmoerslotspoelingen heeft een directe invloed op hun prestaties. Staal of roestvrij staal is meestal de belangrijkste grondstof, maar er zijn aanzienlijke prestaties in prestaties tussen verschillende soorten staal. Voor sluitringen van gewoon staal worden hun prestaties grotendeels bepaald door het koolstofgehalte. Staal met een lager koolstofgehalte is zachter in textuur en gemakkelijker te verwerken en vorm te geven. Deze functie brengt gemak aan het productieproces, kan de productie -efficiëntie verbeteren en de verwerkingsmoeilijkheden verminderen. Medium koolstofstaal vertoont een goede uitgebreide prestaties, het bereiken van een goede balans tussen sterkte en taaiheid, en is geschikt voor scenario's met bepaalde vereisten voor beide. Staal met een hoog koolstofgehalte heeft een hogere hardheid, maar zijn ook brosiger.

      Als het gaat om roestvrijstalen sluitringen, zie je vaak types zoals 304 of 316. Deze bevatten ingrediënten zoals chroom en nikkel - ingrediënten die ze minder vatbaar maken voor roest en duurzamer.

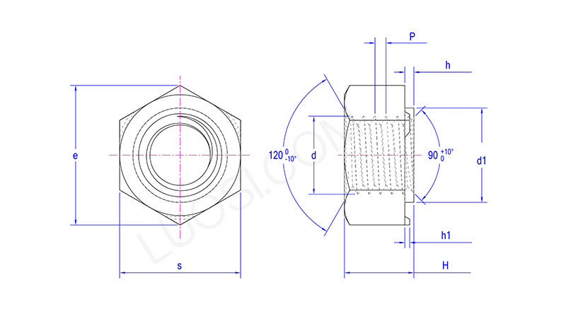
      Mon M3 M4 M5 M6 M8 M10 M12 M14 M16
      P 0.5 0.7 0.8 1 1.25 1.5 1.75 2 2
      D1 Max 4.47 5.97 6.96 7.96 10.45 12.45 14.75 16.75 18.735
      D1 min min minprame min minpramje min min minigheid 4.395 5.895 6.87 7.87 10.34 12.34 14.64 16.64 18.605
      E min 8.15 9.83 10.95 12.02 15.38 18.74 20.91 24.27 26.51
      H Max 0.55 0.65 0.7 0.75 0.9 1.15 1.4 1.8 1.8
      H min min min Neur win min 0.45 0.55 0.6 0.6 0.75 0.95 0.8 1 1
      H1 Max 0.25 0.35 0.4 0.4 0.5 0.65 0.8 1 1
      H1 min 0.15 0.25 0.3 0.3 0.35 0.5 0.6 0.8 0.8
      S Max 7.5 9 10 11 14 17 19 22 24
      S min min minaling is min minuje min minuje minigheid is min minuje minigheid 7.28 8.78 9.78 10.73 13.73 16.73 18.67 21.67 23.67
      H Max 3 3.5 4 5 6.5 8 10 11 13
      H min min min Neur win min 2.75 3.2 3.7 4.7 6.14 7.64 9.64 10.57 12.57

      Productdetails

      Het inzetten van een precisie gemanipuleerde zeshoekige lasmoer neemt het juiste gereedschap en wat oefening. Reinig eerst de moer en het metaal waar het naartoe gaat - dat helpt de las beter vast te houden. Meestal gebruikt u een lasser die elektriciteit door beide delen loopt. De weerstand verwarmt alles op en smelt die kleine hobbels op de moer zodat het aan het metaal blijft plakken. Je moet ook met de juiste hoeveelheid kracht naar beneden drukken tijdens het lassen om ervoor te zorgen dat het gelijkmatig afdicht. Sommige noten worden geleverd met een klein lipje of gids die de positionering veel gemakkelijker maakt.

      Precision-engineered Hexagon weld nut

      Vraag: Welke oppervlaktebehandelingen biedt u voor precisie -engine -hexagon lasmoeren?

      A: Onze hex -lasnoten hebben een paar verschillende coatings om te helpen met roest. Voor fatsoenlijke roestbescherming tijdens opslag of regelmatig gebruik, plaatsen we ze vaak. Je kunt dat in helder, blauw of geel krijgen. Als je iets zwaarder nodig hebt, zet het hot-dip galvaniseren een veel dikkere laag zink op. Er is ook zwarte oxide - het geeft het een donkere afwerking en een beetje roestbescherming. Voor roestvrijstalen noten gebruiken we vaak passivering om hun roestweerstand intact te houden. Kies dus gewoon op basis van waar uw project zal worden gebruikt.



      Hottags: Precisie Engineered Hexagon Las Nut, China, fabrikant, leverancier, fabriek
      Gerelateerde categorie
      Stuur onderzoek
      Stel gerust uw vraag via onderstaand formulier. Wij zullen u binnen 24 uur antwoorden.
      X
      We use cookies to offer you a better browsing experience, analyze site traffic and personalize content. By using this site, you agree to our use of cookies. Privacy Policy
      Reject Accept