De slanke hoogte vanheersende koppel type zeshoekige dunne notenPast op waar omvangrijke noten niet passen. Het is gemakkelijk te installeren met basistools, en omdat het zelf vergrendeling is, is het niet nodig om onderdelen zoals lock-sluitringen toe te voegen.

Je zult het vindenheersende koppel type zeshoekige dunne notenin auto -assemblages (zoals motorkaps of versnellingsbakken), ruimtevaart (beveiliging van lichtgewicht panelen) en elektronica (printplaten van bevestigingen of kleine componenten). Ze worden ook gebruikt in robotica, medische hulpmiddelen en HVAC -systemen - waar ruimte strak is en trillingen regelmatig noten bedreigen.
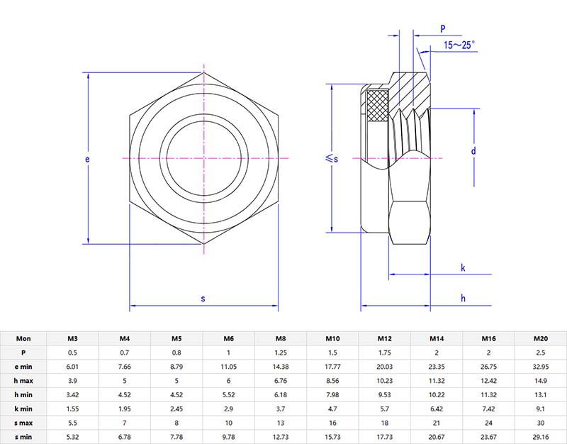
Dezeheersende koppel type zeshoekige dunne notenzijn slank maar stevig. Ze werken met normale sleutels en gebruiken geplette draden of nylonbits om bouten strak te pakken. Gemaakt met zware stalen of roestvrije metalen. Geweldig voor strakke spaties of gelaagde opstellingen omdat ze zo plat zijn. Heads Up: Als je ze losschroeft, verliezen ze hun vergrendelingskracht -tossen ze na gebruik.

| Markt |
Totale inkomsten (%) |
| Noord -Amerika |
16 |
| Oost -Europa |
21 |
| Zuidoost -Azië |
3 |
| Midden -oosten |
5 |
| Oost -Azië |
20 |
| West -Europa |
15 |
| Midden -Amerika |
6 |
| Zuid -Azië |
5 |
| Binnenlandse markt |
9 |
Heersende koppel type zeshoekige dunne notenBevestig sensoren in krappe ruimtes en blijf strak ondanks motortrillingen. Of een fabrieksrobotarm - deze noten houden gewrichten vergrendeld zonder bulk toe te voegen. Zelfs in huishoudelijke apparaten zoals magnetrons, maken ze interne onderdelen vast die het zich niet kunnen veroorloven om los te rammelen. Eenvoudige oplossing, grote impact.